Котел 1.74 МВт уголь дрова в Краснодаре

Цена с НДС:
1 120 000 рублей
Цена с НДС на котел 1.74 МВт уголь дрова с доставкой в
от 1 120 000 рублей
Условия в
В наличии на складе
Доставка ТК по России и Казахстану
Безналичный расчет
Есть в наличии
Можно купить в лизинг
Котел 1.74 МВт дрова уголь
Котел 1.74 МВт уголь дрова
Котел 1.74 МВт на угле и дровах конструкция
Конструкция котла 1.74 МВт на угле и дровах
Котел 1.74 МВт уголь дрова обмуровка
Обмуровка котла 1.74 МВт уголь дрова
Топка колосниковая комбинированного котла 1.74 МВт дрова уголь
Колосниковая топка комбинированного котла 1.74 МВт дрова уголь
Топка с водоохлаждаемыми колосниками котла 1.74 МВт дрова уголь
Топка с водоохлаждаемыми колосниками котла 1.74 МВт уголь дрова
Котел 1.74 МВт уголь дрова производство
Производство котла 1.74 МВт уголь дрова
Котел 1.74 МВт дрова уголь
Котел 1.74 МВт на угле и дровах конструкция
Котел 1.74 МВт уголь дрова обмуровка
Топка колосниковая комбинированного котла 1.74 МВт дрова уголь
Топка с водоохлаждаемыми колосниками котла 1.74 МВт дрова уголь
Котел 1.74 МВт уголь дрова производство
Видеообзор
Максимальная тепловая мощность 1.74 МВт
Топливо Твердое, Уголь, Дрова
Отапливаемая площадь от 14700 до 19000 м²
Технические
характеристики
Описание
товара
Комплект
поставки
Дополнительное
оборудование
Монтаж и схемы
подключения
Сертификаты
и гарантии
Подбор
котла

Технические характеристики котла 1.74 МВт уголь дрова

Вид Водогрейный
Тип отопительного котла Комбинированный
Бренд HEATEXPERT
Тип Котел уголь дрова
Вид топки Ручная, Колосники, ОУР
Максимальная тепловая мощность 1.74 МВт
Максимальная тепловая мощность 1740 кВт
Максимальная тепловая мощность 1.5 Гкал
Диапазон регулирования мощности 50-100 кВт
Топливо Твердое, Уголь, Дрова
Низшая теплота сгорания проектного топлива 5230 кКал/кг
Низшая теплота сгорания резервного топлива 2440 кКал/кг
Влажность топлива 40 %
КПД котла на УГЛЕ 80 %
КПД котла на ДРОВАХ 65 %
Расход УГЛЯ среднечасовой за отопительный сезон 195.4 кг/ч
Расход ДРОВ среднечасовой за отопительный сезон 515.4 кг/ч
Расход ДРОВ среднечасовой за отопительный сезон 1.1 м³/ч
Расход УГЛЯ при максимальной нагрузке котла 342 кг/ч
Расход ДРОВ при максимальной нагрузке котла 902 кг/ч
Расход ДРОВ при максимальной нагрузке котла 1.9 м³/ч
Расход условного топлива 255 кг/ч
Минимальная температура воды на входе в котел 55 °C
Максимальная температура воды на выходе из котла 115 °C
Давление рабочей среды 0.3-0.6 (3-6) МПа (кгс/cм²)
Номинальный расход теплоносителя 59 м³/ч
Расход теплоносителя через котел min-max 45-79 м³/ч
Гидравлическое сопротивление при номинальном расходе не более 0.07 (0.7) МПа (кгс/cм²)
Аэродинамическое сопротивление 230 (23.45) Па (мм. вод. ст.)
Разряжение в топочной камере 20-40 (2-4) Па (мм. вод. ст.)
Объем уходящих газов 7485 м³/ч
Температура уходящих газов, не более 220 °C
Тяга Уравновешенная
Водяной объем котла 1500 л
Объем топочной камеры 4.05 м³
Активная площадь решетки горения 2.4 м²
Присоединительные размеры по водяному тракту 150 Ду
Присоединительные размеры газохода уходящих газов, ширина*высота / сечение 1010х250 / 0.25 мм/м²
Габаритные размеры котла, длина*ширина*высота 2800х1850х2510 мм
Масса 5800 кг
Конструкция котла водотрубная
Количество контуров Одноконтурный
Размещение Напольный
Тип камеры сгорания Открытый
Управление Электронное
Принцип работы твердотопливного котла Классический
Энергонезависимый Нет
Тип питания Трехфазное
Встроенный циркуляционный насос Нет
Встроенный расширительный бак Нет
Марка HeatExpert
Отапливаемая площадь от 14700 до 19000 м²
Отапливаемый объем от 44000 до 57000 м³
Энергоэффективность Высокая
Котел 1.74 МВт уголь дрова с колосниками чертеж
Чертеж котла на угле дровах 1.74 МВт с колосниками
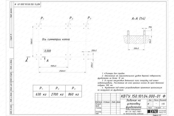
Котел на угле дровах 1.74 МВт с колосниками фундамент
Чертеж фундамента котла 1.74 МВт уголь дрова с колосниками
Котел 1.74 МВт уголь дрова с ОУР чертеж
Чертеж котла на угле дровах 1.74 МВт с ОУР
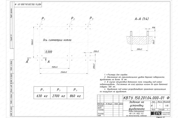
Котел на угле дровах 1.74 МВт с ОУР фундамент
Чертеж фундамента котла 1.74 МВт уголь дрова с ОУР

Угольно дровяной котел 1.74 МВт в Краснодаре

Российский угольно дровяной котел 1.74 МВт предназначен для отопления и горячего водоснабжения жилых и административных зданий, больших промышленных помещений и производственных предприятий, работает с принудительной циркуляцией теплоносителя в закрытых и в открытых системах теплоснабжения.

Промышленный отопительный котел уголь дрова мощностью 1.74 МВт обеспечивает подогрев воды температурой до 95-115 °С, с рабочим давлением 0,3-0,6 (3,0-6,0) МПа (кгс/см). Площадь отапливаемого помещения 14700 – 19000 м2.

Приобретая котел 1.74 МВт для дров и угля, Вы получаете

  • эффективную работу на угле и дровах;
  • теплоагрегат сжигает дрова типа полено, поддоны, крупные отходы деревопереработки;
  • большой объем топочной камеры позволяет полностью прогорать топливу, без выноса золы в конвективную часть и дымовую трубу;
  • газоплотное исполнение топки – исключает утечку дымовых газов в котельный зал;
  • регулировать тягу и дутье вы можете при помощи шиберов;
  • развитая поверхность нагрева котла, снижает температуру уходящих газов до 200-180 °С, тем самым максимально уменьшая теплопотери;
  • качественная теплоизоляция исключает присосы холодного воздуха и риск ожогов.

Теплотворные характеристики угля и дров различны, заявленная мощность будет достигаться при работе на основном топливе – угле. При работе на резервном топливе – дровах, мощность будет меньше. Поэтому для получения требуемой мощности необходима загрузка большего по объему количества топлива. Выбирая универсальную модель, необходимо определить какой вид топлива, Вы будете использовать как основной.

Котельный блок

Алтайский водогрейный котел 1.74 МВт на угле и дровах - водотрубный, газоплотный, прямоточный, горизонтальный, состоит из котельного блока, топки и конвективной части.

Котельный блок устанавливается на раму с опорами и имеет каркас с теплоизоляционными материалами, со съемной декоративной обшивкой. Обмуровка выполняется из минеральных матов и огнеупорного войлока, обшивка из оцинкованной или листовой стали.

Топка изготавливается из газоплотных водотрубных экранов. В топке устанавливается чугунная колосниковая решетка, либо водоохлаждаемые колосники. На фронте топки устанавливаются две загрузочные чугунные дверки, расположенные одна над другой. Верхняя дверка применяется для загрузки дров, через нижнюю загружается уголь.

По техническому заданию мы можем изготовить блоки котла с одной большой загрузочной дверцей, такие модели могут работать как утилизаторы для сжигания поддонов, досок и прочих древесных отходов.

Конвективная часть состоит из конвективных панелей и параллельно установленных труб, расположенных в шахматном порядке.

Большая газоплотная топка

Стальной производственный котел 1,74 МВт угольно дровяной изготавливается с топкой больших размеров, экранированной газоплотными панелями. Объемная камера сгорания обеспечивает полное выгорание топлива, снижая тем самым потери с механическим недожогом. Газоплотное исполнение топки и качественная теплоизоляция снижают потери тепла через стенки агрегата и окружающую среду и исключают присосы холодного воздуха в топку. Наличие поворотной камеры на выходе из топки, перед конвективным пучком, увеличивает зону догорания легких и мелких топливных частиц, захватываемых потоком уходящих газов.

Котлы универсальные дрова уголь мощностью 1.74 МВт нашего барнаульского котельного завода производятся с двумя наиболее популярными топками.

Твердотопливный котел 1.74 МВт уголь дрова с колосниковой топкой

Водяной нагревательный колосниковый котел 1.74 МВт на угле на дровах работает с ручной загрузкой топлива. Топка состоит из колосниковой решетки, которая набирается из чугунных колосников. Топливо выкладывается на колосники, где происходит его горение. Для стабильного и интенсивного горения, под колосники, при помощи вентилятора. подается воздух. Образовавшиеся после горения шлак и зола выгребаются через топочную дверку. Провалившаяся через отверстия колосников зола скапливается в зольном бункере, расположенном под колосниками. Для очистки зольника, на фронте котельного блока, имеется дверца.

Комбинированный котел 1,74 МВт дрова уголь с водонаполненными колосниками

Барнаульский водотрубный тепловой котел 1,74 МВт под уголь и дрова изготавливается с водонаполненными колосниками, входящими в конструкцию котла. Топливо укладывается на водяные колосники, где происходит его горение. Конструктивно водонаполненные колосники представляют собой параллельно установленные трубы, по которым постоянно циркулирует теплоноситель, входящие в трубную систему теплоагрегата. Трубы предназначены для охлаждения конструкции и предотвращения перегрева, прогорания, деформации решетки. Такая конструкция топки позволяет сжигать крупное древесное топливо до полного его выгорания. Для сжигания угля, щепы, стружки и других древесных отходов мелкой фракции на водоохлаждаемые трубы укладываются чугунные колосники.

Конвективные поверхности нагрева

Конвективный блок состоит из секций, каждая из которых содержит горизонтально вваренные в стояки трубы, расположенные в шахматном порядке. Шахматное расположение позволяет полностью омывать поверхности нагрева дымовыми газами. Водонагревательный котел для отопления уголь дрова 1 74 МВт имеет по два конвективных блока, разделяемых газоплотной перегородкой, направляющей движение газов. Конвективная поверхность нагрева состоит из пакетов, которые при ремонте легко демонтируются даже в ограниченном пространстве (при ширине проходов между котлами в один метр). В нижней части конвективных пакетов находится зольный бункер с лазом для очистки от золы и сажи и осмотра труб конвективного пучка.

Развитая конвективная поверхность нагрева обеспечивает снижение температуры уходящих газов из котла до 200-180 °С. Падение температуры уходящих газов повышает теплоотдачу и снижает расход топлива.

Для того чтобы исключить образование застойных зон и локальный перегрев поверхностей нагрева, мы установили в коллекторах агрегата многочисленные перегородки. Благодаря многоходовой схеме, а также скорости и движению воды. Мы решили проблему с образованием накипи.

Напольный горизонтальный угольно дровяной котел 1.74 МВт прост в обслуживании и ремонте благодаря наличию люков для осмотра и очистки конвективных пакетов.

Безопасная эксплуатация

Для обеспечения безопасных условий эксплуатации и расчетных режимов работы сибирский производственный котел уголь дрова пеллеты оснащается предохранительной и запорно-регулирующей арматурой, контрольно-измерительными приборами и приборами безопасности. Запорная арматура служит для отвода воды из агрегата в тепловую сеть, подвода обратной воды в котлоагрегат, слива воды из котла, для периодической продувки и удаления шлама. Контрольно-измерительные приборы, термометры и манометры обеспечивают измерение давления и температуры на входе и выходе воды из ручного котла.

Монтаж и комплектация

Цена на отечественный отопительный котел уголь дрова 1.74 МВт включает котельный блок, топку, колосники, вентилятор поддува, вентили, предохранительные клапаны, термометры, манометры, трехходовые краны, паспорт и инструкцию по эксплуатации. Котлоагрегат поставляется блоками максимальной заводской готовности.

Стационарный водогрейный угольно дровяной котел 1,74 МВт устанавливается в котельной на специально подготовленную ровную поверхность и закрепляется анкерными болтами. Далее подсоединяется по воде, устанавливается запорная арматура на подводящем и отводящем трубопроводе, устанавливаются предохранительные клапаны, дренажи, воздушники и контрольно измерительные приборы. В воздушный короб по месту врезается вентилятор, монтируется газоход.

Купить котел 1.74 МВт уголь дрова

Для того, что бы купить угольно дровяной котел 1.74 МВт в Краснодаре вы можете сделать заявку в отдел сбыта по телефону 8-800-700-06-43, либо оформить заявку . Менеджеры дадут консультацию по подбору вспомогательного оборудования для выбранных вами моделей и рассчитают стоимость доставки. Транспортирование котлоагрегата и вспомогательного оборудования может осуществляться автотранспортом, ж/д полувагонами и речным транспортом.

Комплект поставки котла 1.74 МВт уголь дрова

Цена водогрейного котла 1.74 МВт уголь дрова включает в себя запорную арматуру и КИП в пределах котла, вентилятор поддува и предохранительные клапаны. Ниже приведена подробная информация.

Дополнительное оборудование котла 1.74 МВт уголь дрова

Для эффективной и надежной работы котла 1.74 МВт уголь дрова вам потребуется дополнительное оборудование - автоматика, дымосос, золоуловитель, насос сетевой и подпиточный, газоходы и переходники для газового тракта, дымовая труба. Мы предлагаем рассмотреть типовые варианты комплектации. В случае если у вас на объекте имеется насосное и тягодутьевое оборудование, мы можем проверить совместимость котла 1.74 МВт уголь дрова нашего производства и вашего оборудования. Можем изготовить нестандартные узлы для выполнения быстрого монтажа котла - газоходы и узлы обвязки. Типовую схему монтажа котла вы можете посмотреть во вкладке схемы подключения.

Щит водогрейного котла
Щит водогрейного котла
185000 руб. с НДС

Щит водогрейного котла обеспечивает:

  • ручной пуск котла;
  • ручное управление дутьевым вентилятором, дымососом и насосом;
  • автоматическое поддержание температуры путем управления вентилятором, подающим воздух для горения.

Щит водогрейного котла показывает:

  • температуру воды на выходе из котла;
  • температуру воды на входе в котел.

Щит водогрейного котла автоматическую остановку с индикацией причины аварии при:

  • понижении расхода теплоносителя через котел;
  • понижении и повышении давления на выходе из котла;
  • повышении температуры воды на выходе из котла;
  • понижении разряжения в топке котла.

Элементы для управления вентилятором устанавливаются в щите управления котлом.

Элементы управления дымососом и насосом устанавливаются в электросиловом щите котельной.

TD насос
Насос TD65-34G2 (7.5 кВт)
194700 руб. с НДС
TD насос
Насос TD80-32G2 (11 кВт)
294100 руб. с НДС
CHL насос
Насос CHL8-30 (1.1 кВт)
97300 руб. с НДС
ДН 8 дымосос
Дымосос ДН 8/1500
217100 руб. с НДС
Золоуловитель ЗУ 1.6
Золоуловитель 1,6
68000 руб. с НДС
  • Компактный золоуловитель для твердотопливных котлов
  • Может устанавливаться как сразу за котлом, так и на улице
  • Универсальная конструкция позволяет организовать выход справа или слева, в зависимости от компоновки газоходов

Монтаж и схемы подключения котла 1.74 МВт уголь дрова

Водогрейный стальной отопительный котел 1.74 МВт уголь дрова, предназначен для получения горячей воды номинальной температурой на выходе из котла от 95 до 115 °С рабочим давлением до 0,6 (6,0) МПа (кгс/см), используемой в системах централизованного теплоснабжения на нужды отопления, горячего водоснабжения. Устанавливается в производственных, промышленных и отопительных котельных.

Монтаж и подключение котла 1.74 МВт уголь дрова

План расстановки котельного оборудования, трубопроводов и дымоходов в водогрейной котельной

Для подключения котла 1.74 МВт уголь дрова в котельном зале необходимо оставить проемы для обслуживания оборудования во время эксплуатации, согласно рекомендациям СНИП II-35-76. На данной схеме представлены размеры таких проёмов. Кроме того составлен примерный план, как можно произвести подключение оборудования, а также указан перечень необходимого вспомогательного оборудования для работы котла. К вспомогательному оборудованию относятся - автоматика котла, циркуляционный насос, подпиточный насос, бак запаса воды, расширительный мембранный бак, дымовая труба и дымосос, золоуловитель (по желанию).

Если подпиточная вода не соответствует требованиям к питательной воде, необходимо продумать систему водоподготовки котловой воды.
Для котельных 1 категории, являющиеся единственным источником тепла системы теплоснабжения и обеспечивающие потребителей первой категории, не имеющих индивидуальных резервных источников тепла, необходимо предусмотреть полное резервирование оборудования - котлов, насосов, ТДМ. Пунктирной линией показано оборудование для резервирования.
Для котельных 2 категории, включающие в себя промышленные и производственные котельные резервирование нужно предусматривать по необходимости.

Тепловая схема подключения котла в котельной

Схема тепловая котла

На данной схеме приведен образец тепловой схемы подключения котла в котельном зале. При эксплуатации котельного оборудования очень важно грамотно осуществить подключение, установить контрольно-измерительные приборы для контроля параметров работы котельной и запорную арматуру для оперативного переключения потока теплоносителя при плановой или аварийной остановке оборудования. Данную схему можно использовать, как пример для разработки своего объекта или заказать у нас разработку индивидуальной схемы для вашей котельной.

Сертификаты и гарантии котла 1.74 МВт уголь дрова

Водогрейный котел 1.74 МВт уголь дрова имеет гарантийный срок 24 месяца. Срок работы при соблюдении правил монтажа и эксплуатации оборудования 10 лет.

Водогрейные котлы сертификат
Сертификат на водогрейные котлы
Сертификат на водогрейные котлы на газе и жидком топливе
Сертификат на водогрейные котлы на газе и жидком топливе

Подберите мощность котла для вашего объекта

Тип здания
Регион
Населенный пункт
Наружный объем здания
3)
Отапливаемый подвал
Объем подвала
3)

Отзывы о продукции

Другая похожая продукция

КВр котел 1.74 МВт
Котел КВр 1.74
Максимальная тепловая мощность, МВт 1.74
Топливо Твердое, Уголь
Вид топки Ручная, Колосники
Отапливаемая площадь, м² от 14700 до 19000
1 230 000 ₽
Котел с ОУР 1.74
Котел 1.74 с ОУР
Максимальная тепловая мощность, МВт 1.74
Топливо Твердое, Уголь
Вид топки Ручная, ОУР
Отапливаемая площадь, м² от 14700 до 19000
1 172 000 ₽
Котел 1.5 МВт дрова уголь
Котел 1.5 МВт уголь дрова
Максимальная тепловая мощность, МВт 1.5
Топливо Твердое, Уголь, Дрова
Вид топки Колосники, ОУР, Ручная
Отапливаемая площадь, м² от 12500 до 16500
934 000 ₽
Котел 1.86 МВт дрова уголь
Котел 1.86 МВт уголь дрова
Максимальная тепловая мощность, МВт 1.86
Топливо Твердое, Уголь, Дрова
Вид топки Колосники, ОУР, Ручная
Отапливаемая площадь, м² от 15700 до 20400
1 158 000 ₽

Собственное производство